Corta-sebes de víbora
Corta-sebes hidráulico adaptável a tractores a partir de 16cv
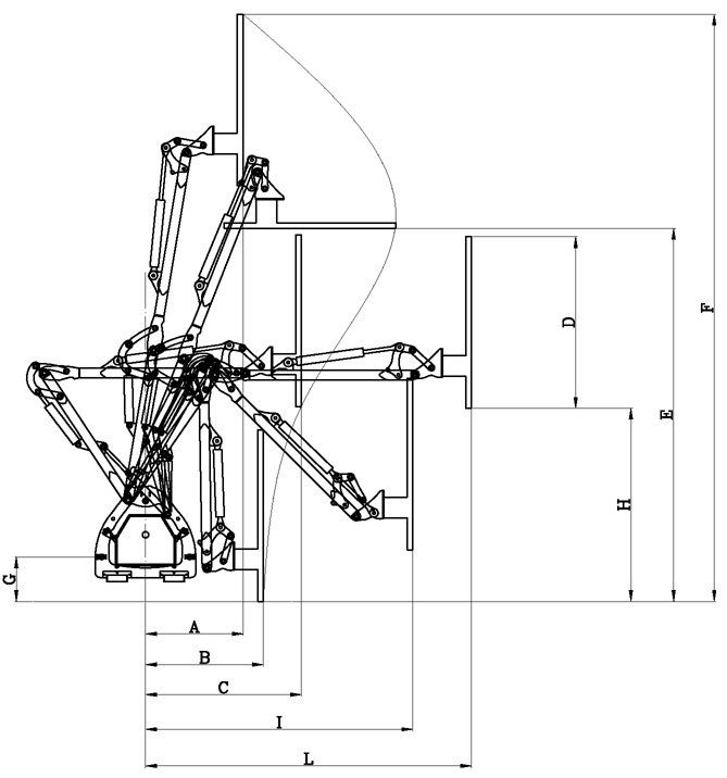
O corta-sebes hidráulico VIPER foi concebido para aparar sebes de campo, sebes de carpa e cedros. Robusto corta-sebes montado atrás de tratores compactos ou micro tratores de 16 cv. Equipado de série com uma barra de corte rotativa de 1m20 de comprimento, não obstrui e ejeta facilmente os rejeitos de poda acima da sebe. A podadora VIPER também será eficaz para a poda de árvores frutíferas. Características Adaptação em 3 pontos traseiros Comando por cabo Teleflex Unidade hidráulica de série Altura de corte vertical: 4230 mm Altura de corte horizontal: 2680 mm Offset no lado direito: 2000 mm Largura de corte: 1 m 20 Segurança flutuante na barra de corte em caso de esforço leve Diâmetro máximo de corte: 30 mm Peso: 250 kg





