cortasetos viper
Cortasetos hidráulico adaptable a tractor a partir de 16cv
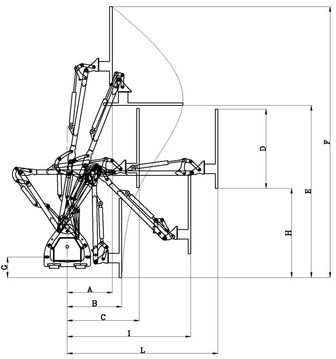
El cortasetos hidráulico VIPER ha sido diseñado para recortar setos de campo, setos de carpes y cedros. Un cortasetos robusto montado detrás de tractores compactos o micro tractores de 16 hp. Equipado de serie con una barra de corte giratoria de 1m20 de largo, no se obstruye y expulsa fácilmente los desechos de poda por encima del seto. La podadora VIPER también será eficaz para la poda de árboles frutales. Características Adaptación en 3 puntos traseros Mando por cable Teleflex Grupo hidráulico de serie Altura de corte vertical: 4230 mm Altura de corte horizontal: 2680 mm Desplazamiento lado derecho: 2000 mm Ancho de corte: 1 m 20 Seguridad flotante en la barra de corte en caso de esfuerzo ligero Diámetro máximo de corte: 30 mm Peso: 250 kg





