Tosasiepi Vipera
Tagliasiepi idraulico adattabile a trattore da 16cv
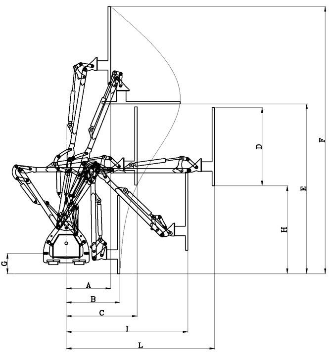
Il tagliasiepi idraulico VIPER è stato progettato per la potatura di siepi di campo, siepi di carpino e cedri. Un robusto tagliasiepi montato dietro a trattori compatti o micro trattori da 16 CV. Dotato di serie di una barra falciante rotante lunga 1 m20, non si intasa ed espelle facilmente gli scarti di potatura sopra la siepe. Il potatore VIPER sarà efficace anche per la potatura degli alberi da frutto. Caratteristiche Adattamento in 3 punti posteriori Comando a cavo Teleflex Centralina idraulica di serie Altezza di taglio verticale: 4230 mm Altezza di taglio orizzontale: 2680 mm Offset sul lato destro: 2000 mm Larghezza di taglio: 1 m 20 Sicurezza flottante sulla barra falciante in caso di sforzo leggero Diametro massimo di taglio: 30 mm Peso: 250 kg





